JK-90MTDP

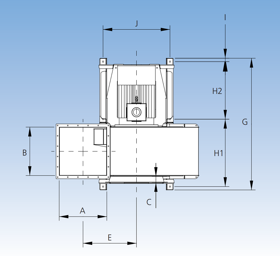
The direct drive centrifugal fan types JK-60MTDP, JK-70MTDP, JK-80MTDP and JK-90MTDP are designed for material transport, e.g. wood chips and dust.

Equipped with backward-inclined blades and aerodynamic inlet spigot made from brass.

The impellers are statically and dynamically balanced.

Max. internal operating temperature: 60°C

The inlet (D) is supplied with flange as standard.

Category Position

Name: File type: Size:
jk90mtdp_90kw_ln.dwg .dwg 0.51 mb
Category Position

Name: File type: Size:
jk90mtdp_90kw_lno.dwg .dwg 0.62 mb
Category Position

Name: File type: Size:
jk90mtdp_90kw_lnv.dwg .dwg 0.62 mb
Category Position

Name: File type: Size:
jk90mtdp_90kw_lo.dwg .dwg 0.51 mb
Category Position

Name: File type: Size:
jk90mtdp_90kw_lsv.dwg .dwg 0.62 mb
Category Position

Name: File type: Size:
jk90mtdp_90kw_lv.dwg .dwg 0.51 mb
Category Position

Name: File type: Size:
jk90mtdp_90kw_rn.dwg .dwg 0.51 mb
Category Position

Name: File type: Size:
jk90mtdp_90kw_rno.dwg .dwg 0.62 mb
Category Position

Name: File type: Size:
jk90mtdp_90kw_rnv.dwg .dwg 0.62 mb
Category Position

Name: File type: Size:
jk90mtdp_90kw_ro.dwg .dwg 0.51 mb
Category Position

Name: File type: Size:
jk90mtdp_90kw_rso.dwg .dwg 0.63 mb
Category Position

Name: File type: Size:
jk90mtdp_90kw_rv.dwg .dwg 0.51 mb

Category Position

Name: File type: Size:
jk90mtdp_90kw_ln.stp .stp 8.05 mb
Category Position

Name: File type: Size:
jk90mtdp_90kw_lno.stp .stp 7.9 mb
Category Position

Name: File type: Size:
jk90mtdp_90kw_lnv.stp .stp 8.03 mb
Category Position

Name: File type: Size:
jk90mtdp_90kw_lo.stp .stp 7.9 mb
Category Position

Name: File type: Size:
jk90mtdp_90kw_lsv.stp .stp 13.31 mb
Category Position

Name: File type: Size:
jk90mtdp_90kw_lv.stp .stp 7.82 mb
Category Position

Name: File type: Size:
jk90mtdp_90kw_rn.stp .stp 8.01 mb
Category Position

Name: File type: Size:
jk90mtdp_90kw_rno.stp .stp 8.02 mb
Category Position

Name: File type: Size:
jk90mtdp_90kw_rnv.stp .stp 7.92 mb
Category Position

Name: File type: Size:
jk90mtdp_90kw_ro.stp .stp 7.81 mb
Category Position

Name: File type: Size:
jk90mtdp_90kw_rso.stp .stp 7.76 mb
Category Position

Name: File type: Size:
jk90mtdp_90kw_rv.stp .stp 7.9 mb


Name: File type: Size:
Hoyer_Motor_Manual.pdf .pdf 1.95 mb

Name: File type: Size:
User_manual.pdf .pdf 3.78 mb

Name: File type: Size:
mont_jk90mtdp_90_rv.pdf .pdf 5.84 mb
Fan systems brochure
JK-90MTDP data sheet

Read all about JK-90MTDP

Fan systems brochure
JK-90MTDP data sheet

Read all about JK-90MTDP

Product Position

Name: File type: Size:
jk90mtdp_90kw_ln.dwg .dwg 0.51 mb
Product Position

Name: File type: Size:
jk90mtdp_90kw_lno.dwg .dwg 0.62 mb
Product Position

Name: File type: Size:
jk90mtdp_90kw_lnv.dwg .dwg 0.62 mb
Product Position

Name: File type: Size:
jk90mtdp_90kw_lo.dwg .dwg 0.51 mb
Product Position

Name: File type: Size:
jk90mtdp_90kw_lsv.dwg .dwg 0.62 mb
Product Position

Name: File type: Size:
jk90mtdp_90kw_lv.dwg .dwg 0.51 mb
Product Position

Name: File type: Size:
jk90mtdp_90kw_rn.dwg .dwg 0.51 mb
Product Position

Name: File type: Size:
jk90mtdp_90kw_rno.dwg .dwg 0.62 mb
Product Position

Name: File type: Size:
jk90mtdp_90kw_rnv.dwg .dwg 0.62 mb
Product Position

Name: File type: Size:
jk90mtdp_90kw_ro.dwg .dwg 0.51 mb
Product Position

Name: File type: Size:
jk90mtdp_90kw_rso.dwg .dwg 0.63 mb
Product Position

Name: File type: Size:
jk90mtdp_90kw_rv.dwg .dwg 0.51 mb
Product Position

Name: File type: Size:
jk90mtdp_90kw_ln.stp .stp 8.05 mb
Product Position

Name: File type: Size:
jk90mtdp_90kw_lno.stp .stp 7.9 mb
Product Position

Name: File type: Size:
jk90mtdp_90kw_lnv.stp .stp 8.03 mb
Product Position

Name: File type: Size:
jk90mtdp_90kw_lo.stp .stp 7.9 mb
Product Position

Name: File type: Size:
jk90mtdp_90kw_lsv.stp .stp 13.31 mb
Product Position

Name: File type: Size:
jk90mtdp_90kw_lv.stp .stp 7.82 mb
Product Position

Name: File type: Size:
jk90mtdp_90kw_rn.stp .stp 8.01 mb
Product Position

Name: File type: Size:
jk90mtdp_90kw_rno.stp .stp 8.02 mb
Product Position

Name: File type: Size:
jk90mtdp_90kw_rnv.stp .stp 7.92 mb
Product Position

Name: File type: Size:
jk90mtdp_90kw_ro.stp .stp 7.81 mb
Product Position

Name: File type: Size:
jk90mtdp_90kw_rso.stp .stp 7.76 mb
Product Position

Name: File type: Size:
jk90mtdp_90kw_rv.stp .stp 7.9 mb
Category File

Name: File type: Size:
Hoyer_Motor_Manual.pdf .pdf 1.95 mb
Category File

Name: File type: Size:
User_manual.pdf .pdf 3.78 mb
Category File

Name: File type: Size:
mont_jk90mtdp_90_rv.pdf .pdf 5.84 mb
JK-MTDP3.PNG
JK-MTDP4.PNG
JK-MTDPint1.PNG

Related products

...
JK-60MTDP

Fan systems

See product
...
JK-70MTDP

Fan systems

See product
...
JK-80MTDP

Fan systems

See product
...
JK-90MTD

Fan systems

See product

Configure your own solution with our tools

Icon
Interested in more?

Contact us today for a free consultation! Our team of experts will be happy to discuss your dust control challenges and answer any questions you may have. Let us show you how a custom-designed Solution Sales approach can transform your workplace and revolutionize your approach to dust extraction.

Contact us