JK-30MTDP

The direct drive centrifugal fan types JK-30MTDP, JK-40MTDP and JK-50MTDP are designed for material transport, e.g. wood chips and dust.

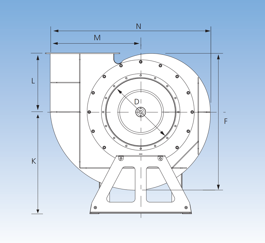
Equipped with backward-inclined blades and aerodynamic inlet spigot made from brass.

The impellers are statically and dynamically balanced.

Normally, a frequency transformer is used to control the min-1 and the air volume of the fan.

Max. internal operating temperature: 60°C

The inlet (D) is supplied with flange as standard.

Fan systems brochure
JK-30MTDP data sheet

Read all about JK-30MTDP

Fan systems brochure
JK-30MTDP data sheet

Read all about JK-30MTDP


Name: File type: Size:
jk30mtdp_4-0kw_ln.dwg .dwg 438.17 kb

Name: File type: Size:
jk30mtdp_4-0kw_lno.dwg .dwg 0.53 mb

Name: File type: Size:
jk30mtdp_4-0kw_lnv.dwg .dwg 0.57 mb

Name: File type: Size:
jk30mtdp_4-0kw_lo.dwg .dwg 439.96 kb

Name: File type: Size:
jk30mtdp_4-0kw_lsv.dwg .dwg 0.6 mb

Name: File type: Size:
jk30mtdp_4-0kw_lv.dwg .dwg 431.21 kb

Name: File type: Size:
jk30mtdp_4-0kw_rn.dwg .dwg 441.32 kb

Name: File type: Size:
jk30mtdp_4-0kw_rno.dwg .dwg 0.53 mb

Name: File type: Size:
jk30mtdp_4-0kw_rnv.dwg .dwg 0.56 mb

Name: File type: Size:
jk30mtdp_4-0kw_ro.dwg .dwg 436.15 kb

Name: File type: Size:
jk30mtdp_4-0kw_rso.dwg .dwg 0.57 mb

Name: File type: Size:
jk30mtdp_4-0kw_rv.dwg .dwg 435.13 kb

Name: File type: Size:
jk30mtdp_4-0kw_ln.stp .stp 5.09 mb

Name: File type: Size:
jk30mtdp_4-0kw_lno.stp .stp 4.8 mb

Name: File type: Size:
jk30mtdp_4-0kw_lnv.stp .stp 5.33 mb

Name: File type: Size:
jk30mtdp_4-0kw_lo.stp .stp 5.09 mb

Name: File type: Size:
jk30mtdp_4-0kw_lsv.stp .stp 5.39 mb

Name: File type: Size:
jk30mtdp_4-0kw_lv.stp .stp 4.71 mb

Name: File type: Size:
jk30mtdp_4-0kw_rn.stp .stp 5.67 mb

Name: File type: Size:
jk30mtdp_4-0kw_ro.stp .stp 4.74 mb

Name: File type: Size:
jk30mtdp_4-0kw_rso.stp .stp 4.8 mb

Name: File type: Size:
jk30mtdp_4-0kw_rv.stp .stp 5.72 mb

Name: File type: Size:
mont_jk30mtdp.pdf .pdf 1.96 mb

Name: File type: Size:
User_manual.pdf .pdf 3.78 mb
JK-40MTDP Fan Dimension B
JK-40MTDP Fan Dimension A
JK-40MTDP Fan Dimension C

Related products

...
JK-30MTD

Fan systems

See product
...
JK-70MTDP

Fan systems

See product
...
JK-80MTDP

Fan systems

See product
...
JK-90MTDP

Fan systems

See product

Configure your own solution with our tools

Icon
Interested in more?

Contact us today for a free consultation! Our team of experts will be happy to discuss your dust control challenges and answer any questions you may have. Let us show you how a custom-designed Solution Sales approach can transform your workplace and revolutionize your approach to dust extraction.

Contact us