JK-30MT

The indirect drive centrifugal fan types JK-30MT - JK-100MT are designed for transport of clean air.

Equipped with self-cleaning impellers with backward-inclined blades and aerodynamic intake. The impellers are statically and dynamically balanced.

The pulleys are shaft-mounted with taperlock bushing, allowing easy replacement for changed fan speed.

Max. internal operating temperature: 60°C

With cooling wings: Up to 200°C

Available in stainless steel inlet and explosion-proof (Eex) motor.

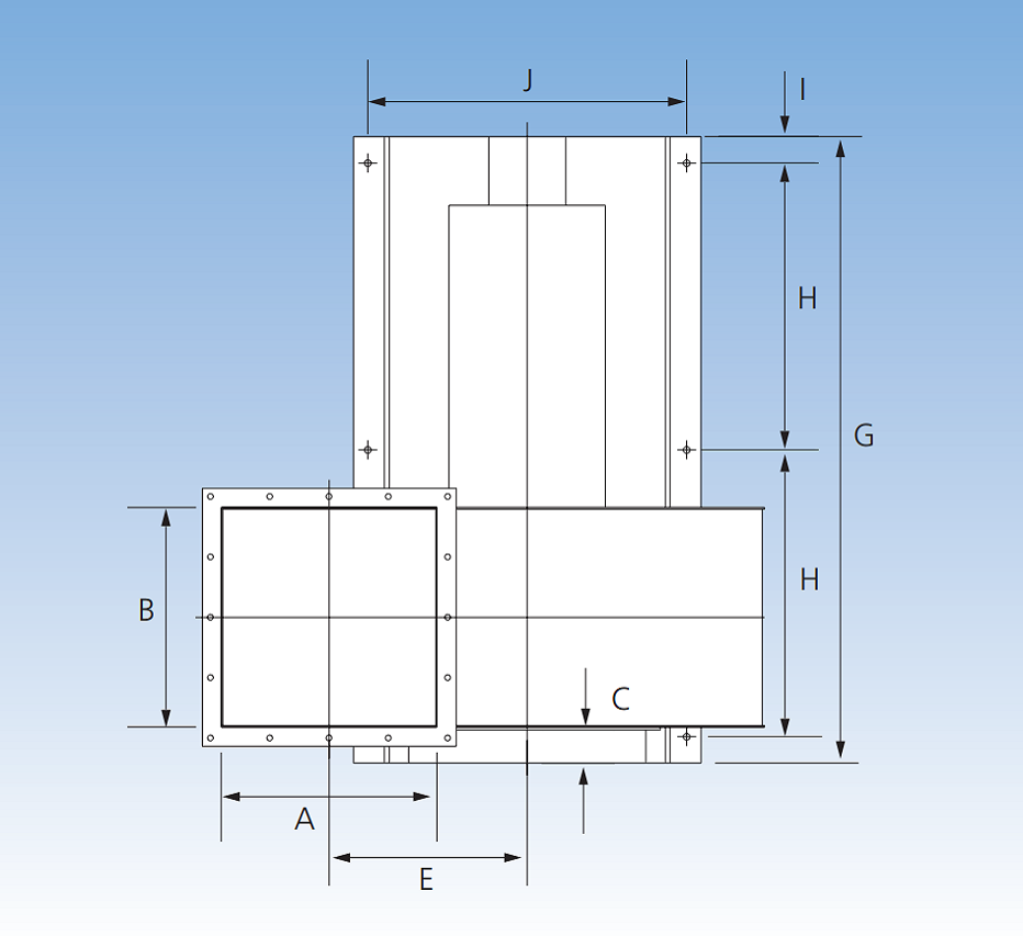
Dimensions (D) for the inlet are external. Supplied with flange as standard.

Belt drive is anti-static.

Category Position

Name: File type: Size:
jk30mt_4-0kw_ln.dwg .dwg 309.98 kb
Category Position

Name: File type: Size:
jk30mt_4-0kw_lno.dwg .dwg 391.64 kb
Category Position

Name: File type: Size:
jk30mt_4-0kw_lnv.dwg .dwg 432.11 kb
Category Position

Name: File type: Size:
jk30mt_4-0kw_lo.dwg .dwg 312.67 kb
Category Position

Name: File type: Size:
jk30mt_4-0kw_lsv.dwg .dwg 451.96 kb
Category Position

Name: File type: Size:
jk30mt_4-0kw_lv.dwg .dwg 288.73 kb
Category Position

Name: File type: Size:
jk30mt_4-0kw_rn.dwg .dwg 315.18 kb
Category Position

Name: File type: Size:
jk30mt_4-0kw_rno.dwg .dwg 397.65 kb
Category Position

Name: File type: Size:
jk30mt_4-0kw_rnv.dwg .dwg 418.32 kb
Category Position

Name: File type: Size:
jk30mt_4-0kw_ro.dwg .dwg 292.1 kb
Category Position

Name: File type: Size:
jk30mt_4-0kw_rso.dwg .dwg 425.17 kb
Category Position

Name: File type: Size:
jk30mt_4-0kw_rv.dwg .dwg 304.32 kb

Category Position

Name: File type: Size:
jk30mt_4-0kw_ln.stp .stp 2.25 mb
Category Position

Name: File type: Size:
jk30mt_4-0kw_lno.stp .stp 2.45 mb
Category Position

Name: File type: Size:
jk30mt_4-0kw_lnv.stp .stp 2.26 mb
Category Position

Name: File type: Size:
jk30mt_4-0kw_lo.stp .stp 2.31 mb
Category Position

Name: File type: Size:
jk30mt_4-0kw_lsv.stp .stp 2.2 mb
Category Position

Name: File type: Size:
jk30mt_4-0kw_lv.stp .stp 2.39 mb
Category Position

Name: File type: Size:
jk30mt_4-0kw_rn.stp .stp 2.33 mb
Category Position

Name: File type: Size:
jk30mt_4-0kw_rno.stp .stp 2.35 mb
Category Position

Name: File type: Size:
jk30mt_4-0kw_rnv.stp .stp 2.49 mb
Category Position

Name: File type: Size:
jk30mt_4-0kw_ro.stp .stp 2.49 mb
Category Position

Name: File type: Size:
jk30mt_4-0kw_rso.stp .stp 2.26 mb
Category Position

Name: File type: Size:
jk30mt_4-0kw_rv.stp .stp 2.38 mb


Name: File type: Size:
D100058_Fitting_and_service_instructions_for_taper_lock_bushings_pulleys_and_drive_belts.pdf .pdf 2.79 mb

Name: File type: Size:
Declaration_of_conformity.pdf .pdf 121.46 kb

Name: File type: Size:
Hoyer_Motor_Manual.pdf .pdf 1.95 mb

Name: File type: Size:
User_manual.pdf .pdf 3.78 mb

Name: File type: Size:
mont_jk30mt.pdf .pdf 5.43 mb
Fan systems brochure
JK-30MT data sheet

Read all about JK-30MT

Fan systems brochure
JK-30MT data sheet

Read all about JK-30MT

Product Position

Name: File type: Size:
jk30mt_4-0kw_ln.dwg .dwg 309.98 kb
Product Position

Name: File type: Size:
jk30mt_4-0kw_lno.dwg .dwg 391.64 kb
Product Position

Name: File type: Size:
jk30mt_4-0kw_lnv.dwg .dwg 432.11 kb
Product Position

Name: File type: Size:
jk30mt_4-0kw_lo.dwg .dwg 312.67 kb
Product Position

Name: File type: Size:
jk30mt_4-0kw_lsv.dwg .dwg 451.96 kb
Product Position

Name: File type: Size:
jk30mt_4-0kw_lv.dwg .dwg 288.73 kb
Product Position

Name: File type: Size:
jk30mt_4-0kw_rn.dwg .dwg 315.18 kb
Product Position

Name: File type: Size:
jk30mt_4-0kw_rno.dwg .dwg 397.65 kb
Product Position

Name: File type: Size:
jk30mt_4-0kw_rnv.dwg .dwg 418.32 kb
Product Position

Name: File type: Size:
jk30mt_4-0kw_ro.dwg .dwg 292.1 kb
Product Position

Name: File type: Size:
jk30mt_4-0kw_rso.dwg .dwg 425.17 kb
Product Position

Name: File type: Size:
jk30mt_4-0kw_rv.dwg .dwg 304.32 kb
Product Position

Name: File type: Size:
jk30mt_4-0kw_ln.stp .stp 2.25 mb
Product Position

Name: File type: Size:
jk30mt_4-0kw_lno.stp .stp 2.45 mb
Product Position

Name: File type: Size:
jk30mt_4-0kw_lnv.stp .stp 2.26 mb
Product Position

Name: File type: Size:
jk30mt_4-0kw_lo.stp .stp 2.31 mb
Product Position

Name: File type: Size:
jk30mt_4-0kw_lsv.stp .stp 2.2 mb
Product Position

Name: File type: Size:
jk30mt_4-0kw_lv.stp .stp 2.39 mb
Product Position

Name: File type: Size:
jk30mt_4-0kw_rn.stp .stp 2.33 mb
Product Position

Name: File type: Size:
jk30mt_4-0kw_rno.stp .stp 2.35 mb
Product Position

Name: File type: Size:
jk30mt_4-0kw_rnv.stp .stp 2.49 mb
Product Position

Name: File type: Size:
jk30mt_4-0kw_ro.stp .stp 2.49 mb
Product Position

Name: File type: Size:
jk30mt_4-0kw_rso.stp .stp 2.26 mb
Product Position

Name: File type: Size:
jk30mt_4-0kw_rv.stp .stp 2.38 mb
Category File

Name: File type: Size:
D100058_Fitting_and_service_instructions_for_taper_lock_bushings_pulleys_and_drive_belts.pdf .pdf 2.79 mb
Category File

Name: File type: Size:
Declaration_of_conformity.pdf .pdf 121.46 kb
Category File

Name: File type: Size:
Hoyer_Motor_Manual.pdf .pdf 1.95 mb
Category File

Name: File type: Size:
User_manual.pdf .pdf 3.78 mb
Category File

Name: File type: Size:
mont_jk30mt.pdf .pdf 5.43 mb
JK-MT1.PNG
JK-MT2.PNG
JK-MTint.PNG

Related products

...
JK-30MTD

Fan systems

See product
...
JK-30MTDP

Fan systems

See product
...
JK-80MT

Fan systems

See product
...
JK-90MT

Fan systems

See product

Configure your own solution with our tools

Icon
Interested in more?

Contact us today for a free consultation! Our team of experts will be happy to discuss your dust control challenges and answer any questions you may have. Let us show you how a custom-designed Solution Sales approach can transform your workplace and revolutionize your approach to dust extraction.

Contact us