JK-30K

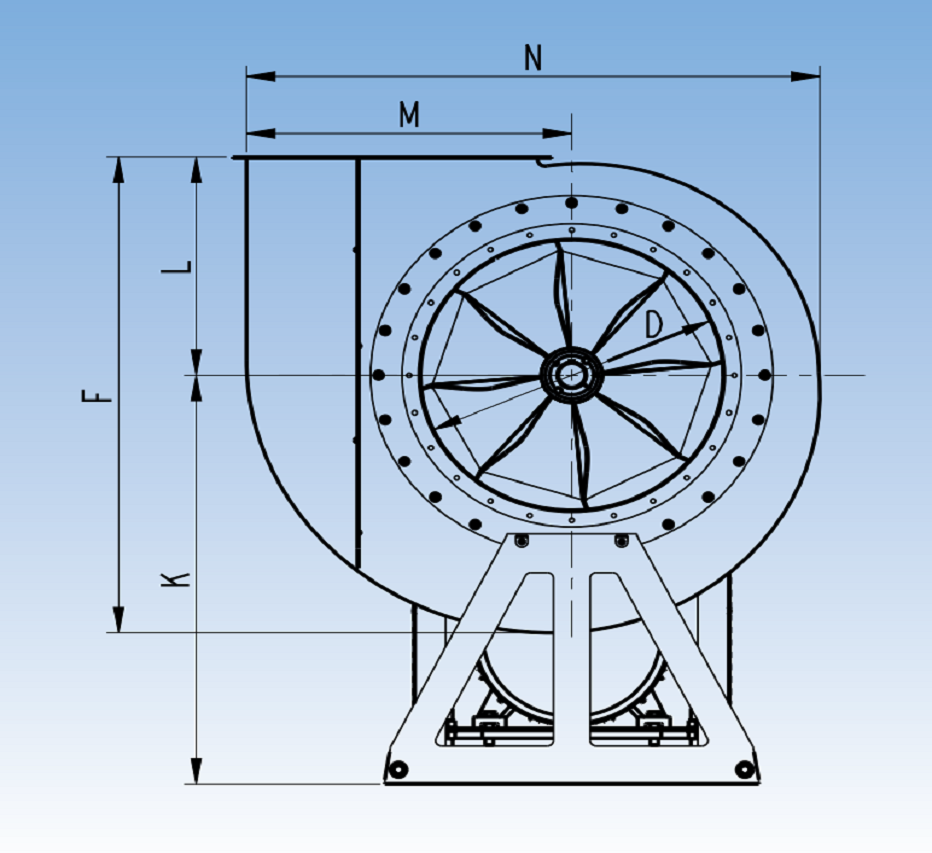
The indirect drive centrifugal fan types JK-30K - JK-75K are designed for material handling.

Equipped with self-cleaning impellers with backward-inclined blades and aerodynamic intake. The impellers are statically and dynamically balanced.

The pulleys are shaft-mounted with taperlock bushing, allowing easy replacement for changed fan speed.

Max. internal operating temperature: 60°C

With cooling wings: Up to 200°C

Number of blades are reduced by 2 for paper impeller.

Available with stainless steel inlet and explosion-proof (Eex) motor.

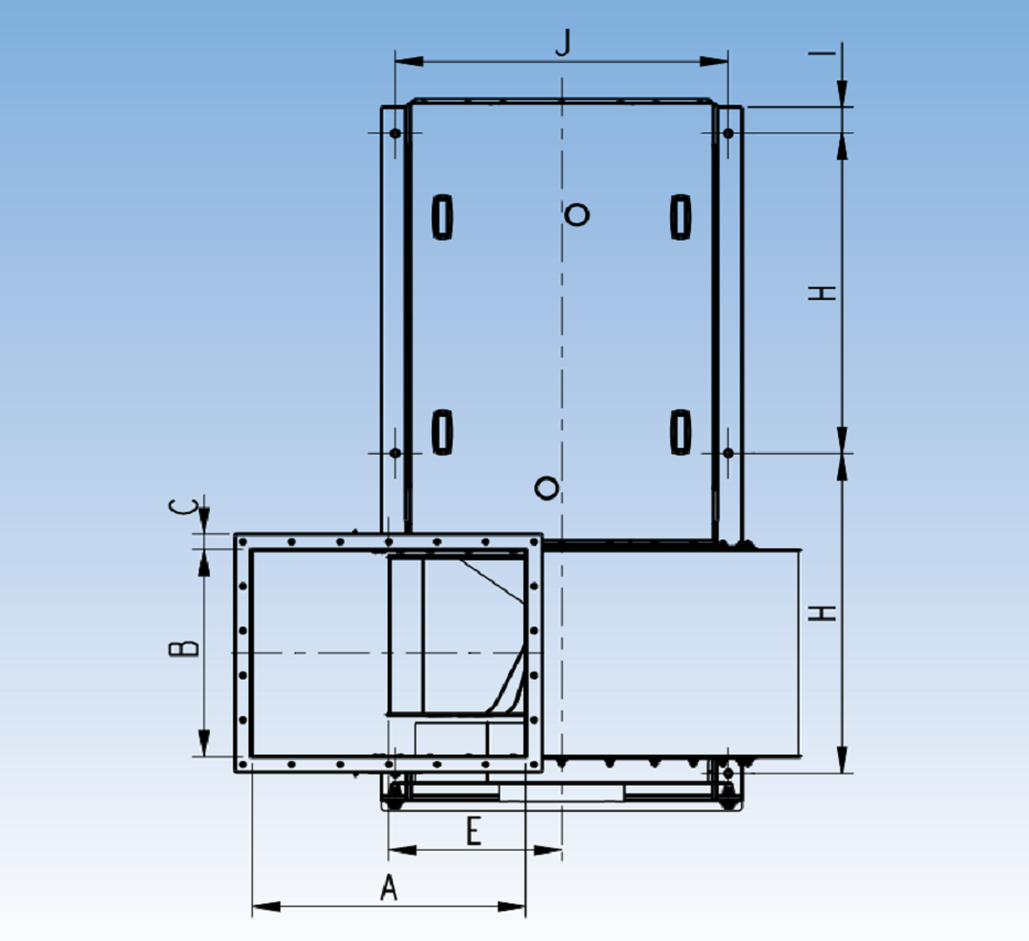
The inlet (D) is supplied with flange as standard.

If the fan is mounted in an acoustic booth, it is supplied with smooth inlet.

Belt drive is anti-static.

Category Position

Name: File type: Size:
jk30k_5-5kw_ln.dwg .dwg 330.45 kb
Category Position

Name: File type: Size:
jk30k_5-5kw_lno.dwg .dwg 354.51 kb
Category Position

Name: File type: Size:
jk30k_5-5kw_lnv.dwg .dwg 346.48 kb
Category Position

Name: File type: Size:
jk30k_5-5kw_lo.dwg .dwg 339.74 kb
Category Position

Name: File type: Size:
jk30k_5-5kw_lsv.dwg .dwg 337.71 kb
Category Position

Name: File type: Size:
jk30k_5-5kw_lv.dwg .dwg 326.12 kb
Category Position

Name: File type: Size:
jk30k_5-5kw_rn.dwg .dwg 350.52 kb
Category Position

Name: File type: Size:
jk30k_5-5kw_rno.dwg .dwg 369.05 kb
Category Position

Name: File type: Size:
jk30k_5-5kw_rnv.dwg .dwg 362.45 kb
Category Position

Name: File type: Size:
jk30k_5-5kw_ro.dwg .dwg 352.13 kb
Category Position

Name: File type: Size:
jk30k_5-5kw_rso.dwg .dwg 364.57 kb
Category Position

Name: File type: Size:
jk30k_5-5kw_rv.dwg .dwg 351.96 kb

Category Position

Name: File type: Size:
jk30k_5-5kw_ln.stp .stp 3.33 mb
Category Position

Name: File type: Size:
jk30k_5-5kw_lno.stp .stp 2.92 mb
Category Position

Name: File type: Size:
jk30k_5-5kw_lnv.stp .stp 3.01 mb
Category Position

Name: File type: Size:
jk30k_5-5kw_lo.stp .stp 3.33 mb
Category Position

Name: File type: Size:
jk30k_5-5kw_lsv.stp .stp 3.47 mb
Category Position

Name: File type: Size:
jk30k_5-5kw_lv.stp .stp 3.14 mb
Category Position

Name: File type: Size:
jk30k_5-5kw_rn.stp .stp 3.69 mb
Category Position

Name: File type: Size:
jk30k_5-5kw_rno.stp .stp 3.27 mb
Category Position

Name: File type: Size:
jk30k_5-5kw_rnv.stp .stp 3.23 mb
Category Position

Name: File type: Size:
jk30k_5-5kw_ro.stp .stp 3.5 mb
Category Position

Name: File type: Size:
jk30k_5-5kw_rso.stp .stp 3.78 mb


Name: File type: Size:
D100058_Fitting_and_service_instructions_for_taper_lock_bushings_pulleys_and_drive_belts.pdf .pdf 2.79 mb

Name: File type: Size:
Hoyer_Motor_Manual.pdf .pdf 1.95 mb

Name: File type: Size:
User_manual.pdf .pdf 3.78 mb

Name: File type: Size:
mont-jk30k.pdf .pdf 5.65 mb
Fan systems brochure
JK-30K data sheet

Read all about JK-30K

Fan systems brochure
JK-30K data sheet

Read all about JK-30K

Product Position

Name: File type: Size:
jk30k_5-5kw_ln.dwg .dwg 330.45 kb
Product Position

Name: File type: Size:
jk30k_5-5kw_lno.dwg .dwg 354.51 kb
Product Position

Name: File type: Size:
jk30k_5-5kw_lnv.dwg .dwg 346.48 kb
Product Position

Name: File type: Size:
jk30k_5-5kw_lo.dwg .dwg 339.74 kb
Product Position

Name: File type: Size:
jk30k_5-5kw_lsv.dwg .dwg 337.71 kb
Product Position

Name: File type: Size:
jk30k_5-5kw_lv.dwg .dwg 326.12 kb
Product Position

Name: File type: Size:
jk30k_5-5kw_rn.dwg .dwg 350.52 kb
Product Position

Name: File type: Size:
jk30k_5-5kw_rno.dwg .dwg 369.05 kb
Product Position

Name: File type: Size:
jk30k_5-5kw_rnv.dwg .dwg 362.45 kb
Product Position

Name: File type: Size:
jk30k_5-5kw_ro.dwg .dwg 352.13 kb
Product Position

Name: File type: Size:
jk30k_5-5kw_rso.dwg .dwg 364.57 kb
Product Position

Name: File type: Size:
jk30k_5-5kw_rv.dwg .dwg 351.96 kb
Product Position

Name: File type: Size:
jk30k_5-5kw_ln.stp .stp 3.33 mb
Product Position

Name: File type: Size:
jk30k_5-5kw_lno.stp .stp 2.92 mb
Product Position

Name: File type: Size:
jk30k_5-5kw_lnv.stp .stp 3.01 mb
Product Position

Name: File type: Size:
jk30k_5-5kw_lo.stp .stp 3.33 mb
Product Position

Name: File type: Size:
jk30k_5-5kw_lsv.stp .stp 3.47 mb
Product Position

Name: File type: Size:
jk30k_5-5kw_lv.stp .stp 3.14 mb
Product Position

Name: File type: Size:
jk30k_5-5kw_rn.stp .stp 3.69 mb
Product Position

Name: File type: Size:
jk30k_5-5kw_rno.stp .stp 3.27 mb
Product Position

Name: File type: Size:
jk30k_5-5kw_rnv.stp .stp 3.23 mb
Product Position

Name: File type: Size:
jk30k_5-5kw_ro.stp .stp 3.5 mb
Product Position

Name: File type: Size:
jk30k_5-5kw_rso.stp .stp 3.78 mb
Category File

Name: File type: Size:
D100058_Fitting_and_service_instructions_for_taper_lock_bushings_pulleys_and_drive_belts.pdf .pdf 2.79 mb
Category File

Name: File type: Size:
Hoyer_Motor_Manual.pdf .pdf 1.95 mb
Category File

Name: File type: Size:
User_manual.pdf .pdf 3.78 mb
Category File

Name: File type: Size:
mont-jk30k.pdf .pdf 5.65 mb
JK-K1.PNG
JK-K2.PNG
JK-Kint.PNG

Related products

...
JK-30D

Fan systems

See product
...
JK-30MT

Fan systems

See product
...
JK-30MTD

Fan systems

See product
...
JK-40K

Fan systems

See product

Configure your own solution with our tools

Icon
Interested in more?

Contact us today for a free consultation! Our team of experts will be happy to discuss your dust control challenges and answer any questions you may have. Let us show you how a custom-designed Solution Sales approach can transform your workplace and revolutionize your approach to dust extraction.

Contact us